Masquer l'assortiment Assortiment
Contacts

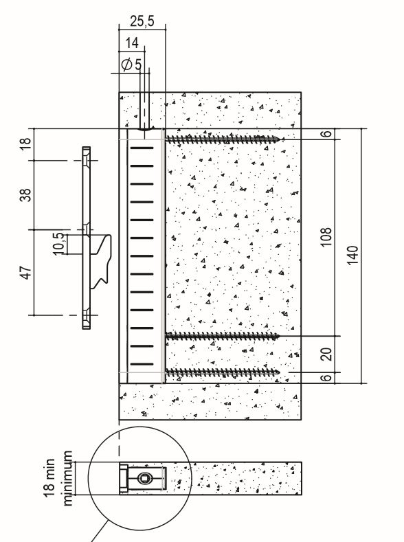
OMM cabinet holder A.ATC301.12.53

Code d'assortiment 306510
Prix ​​de base pour pcs
3,34 EUR 4,04 EUR avec TVA
Sur commande
Acheter
Marque
N/A
Code de groupe
1010010201
Unité (MJ)
pcs
Extensibilité
1 pcs
Emballage
100 pcs