KES FREEslide abattant, 320-360mm, 8,7-16,5kg
- Prix de base pour ensemble
- 93,11 EUR 112,66 EUR avec TVA
-
En stockDisponible uniquement dans l'entrepôt central d'Ostrava (République tchèque). Les quantités exactes sont disponibles sur Demos24Plus - www.demos24plus.com.
- Acheter
- Marque
- Kesseböhmer
- Code de groupe
- 1010030101
- Unité (MJ)
- ensemble
- Extensibilité
- 1 ensemble
- Emballage
- 5 ensemble
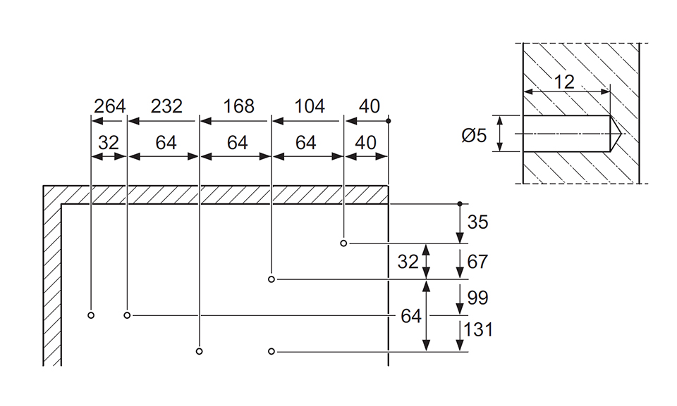
Quincaillerie pivotante verticale avec corps. Hauteur 320-360mm. Poids de la façade 3 - 5,7kg.
Nécessite de compléter avec caches et barre de synchronisation.
FREEslide videomanuel
Paramètres
| Paramètre | Valeur |
|---|---|
| Couleur | Non spécifié |
| Finition | Amortissement |
| Hauteur du corps (mm) | 320 - 360 |
| Type de façade | Bois, large cadre en alu |