Quincaillerie et matériel complémentaire
Charnieres - Ferrures de meuble
Mécanisme de basculement
Supérieur
Méchanique
KES FREEslide abattant, 320-360mm, 4,8-9,3kg
KES FREEslide abattant, 320-360mm, 4,8-9,3kg
Code d'assortiment
247826
- Prix de base pour ensemble
- 90,4 EUR 109,38 EUR avec TVA
-
En stock
Disponible uniquement dans l'entrepôt central d'Ostrava (République tchèque). Les quantités exactes sont disponibles sur Demos24Plus - www.demos24plus.com. - Acheter
- Marque
- Kesseböhmer
- Code de groupe
- 1010030101
- Unité (MJ)
- ensemble
- Extensibilité
- 1 ensemble
- Emballage
- 5 ensemble
Description et paramètres
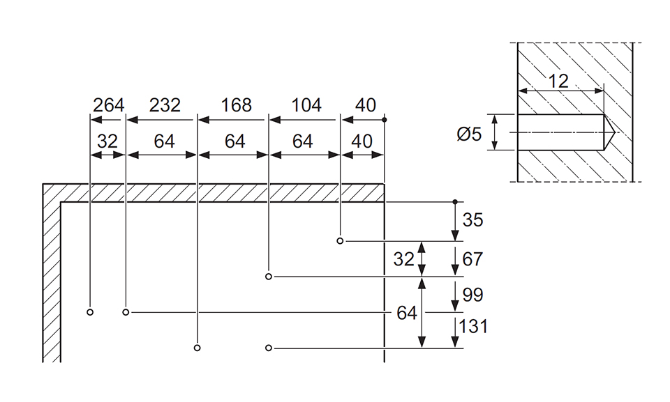
Quincaillerie pivotante verticale avec le corps. Hauteur 320-360mm. Poids de la façade 3 - 5,7kg.
Nécessite d'etre complété avec caches et barre de synchronisation.
FREEslide videomanual
Paramètres
| Paramètre | Valeur |
|---|---|
| Couleur | Non spécifié |
| Finition | Amortissement |
| Hauteur du corps (mm) | 320 - 360 |
| Type de façade | Bois, large cadre en alu |