Masquer l'assortiment Assortiment
Contacts

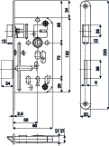
HOBES K 134 serrure 72/80 BB zinc blanc

Code d'assortiment 260301
Prix ​​de base pour pcs
23,06 EUR 27,91 EUR avec TVA
Sur commande
Acheter
Marque
N/A
Code de groupe
104504
Unité (MJ)
pcs
Extensibilité
1 pcs
Emballage
1 pcs
Description et paramètres

Serrure a encastrer de chantier Hobes K134 pour clé a gorge standard (BB) avec une profondeur de 80mm, un entraxe de 80mm, un espacement de 72mm. Finition en zinc blanc. Double pene, sans transmission, avec des trous pour plaques divisées. Dimension de la face avant 220*20mm. Comprend 1 clé.

Paramètres

Paramètre Valeur
Version a clé BB

Derniers articles consultés