Masquer l'assortiment Assortiment
Contacts

HETTICH 41397 KA 4620 650 mm EB19 90 kg

Code d'assortiment 104105
Prix ​​de base pour ensemble
114,17 EUR 138,15 EUR avec TVA
Sur commande
Acheter
Marque
Hettich
Code de groupe
10200301
Unité (MJ)
ensemble
Extensibilité
1 ensemble
Emballage
1 ensemble
Description et paramètres

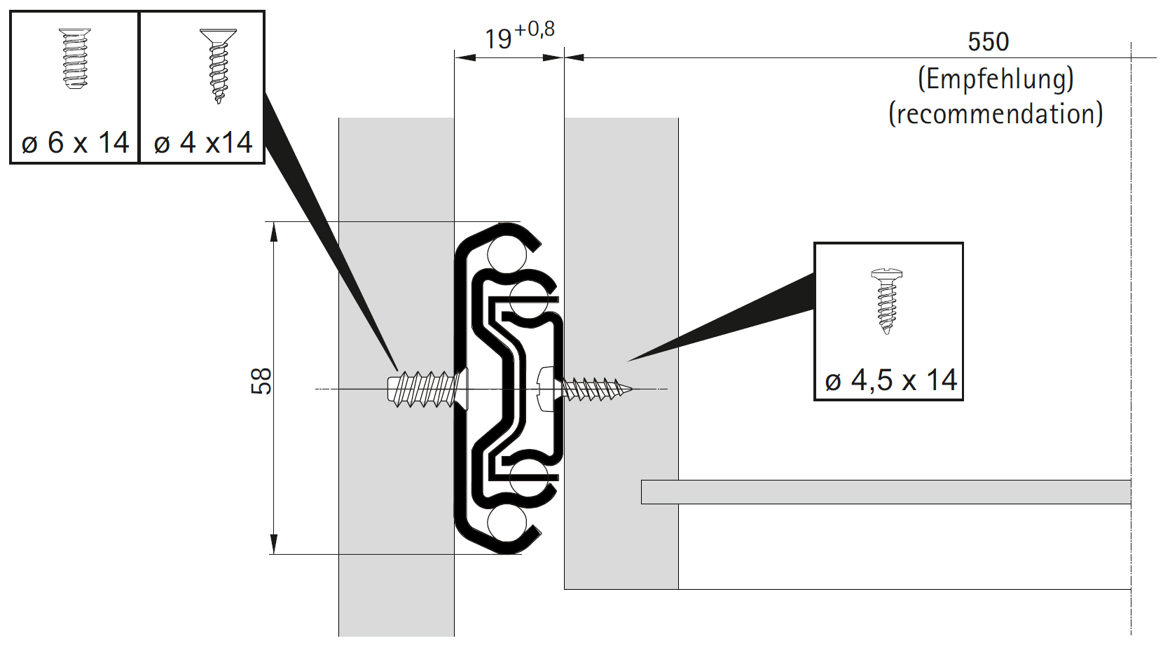
Glissiere a billes a extension totale avec dépassement pour tiroirs en bois, largeur de montage 19 mm, capacité de charge 90 kg. Avec butée et verrouillage contre le délogement accidentel. Le tiroir coulissant peut etre divisé a l’aide d’un levier, ce qui permet de retirer facilement le tiroir du corps.

Délai de livraison de 8 a 21 jours.

Documents connexes

Guide d'assemblage

Paramètres

Paramètre Valeur
Capacité de charge (kg) 90
Longueur (mm) 650
Mouvement de la coulisse Sans amortissement
Type de coulisse Extension totale

Derniers articles consultés