Masquer l'assortiment Assortiment
Contacts

HETTICH 41396 KA 4620 600 mm EB19, 90 kg

Code d'assortiment 104891
Prix ​​de base pour ensemble
106,13 EUR 128,42 EUR avec TVA
Sur commande
Acheter
Marque
Hettich
Code de groupe
10200301
Unité (MJ)
ensemble
Extensibilité
1 ensemble
Emballage
1 ensemble
Description et paramètres

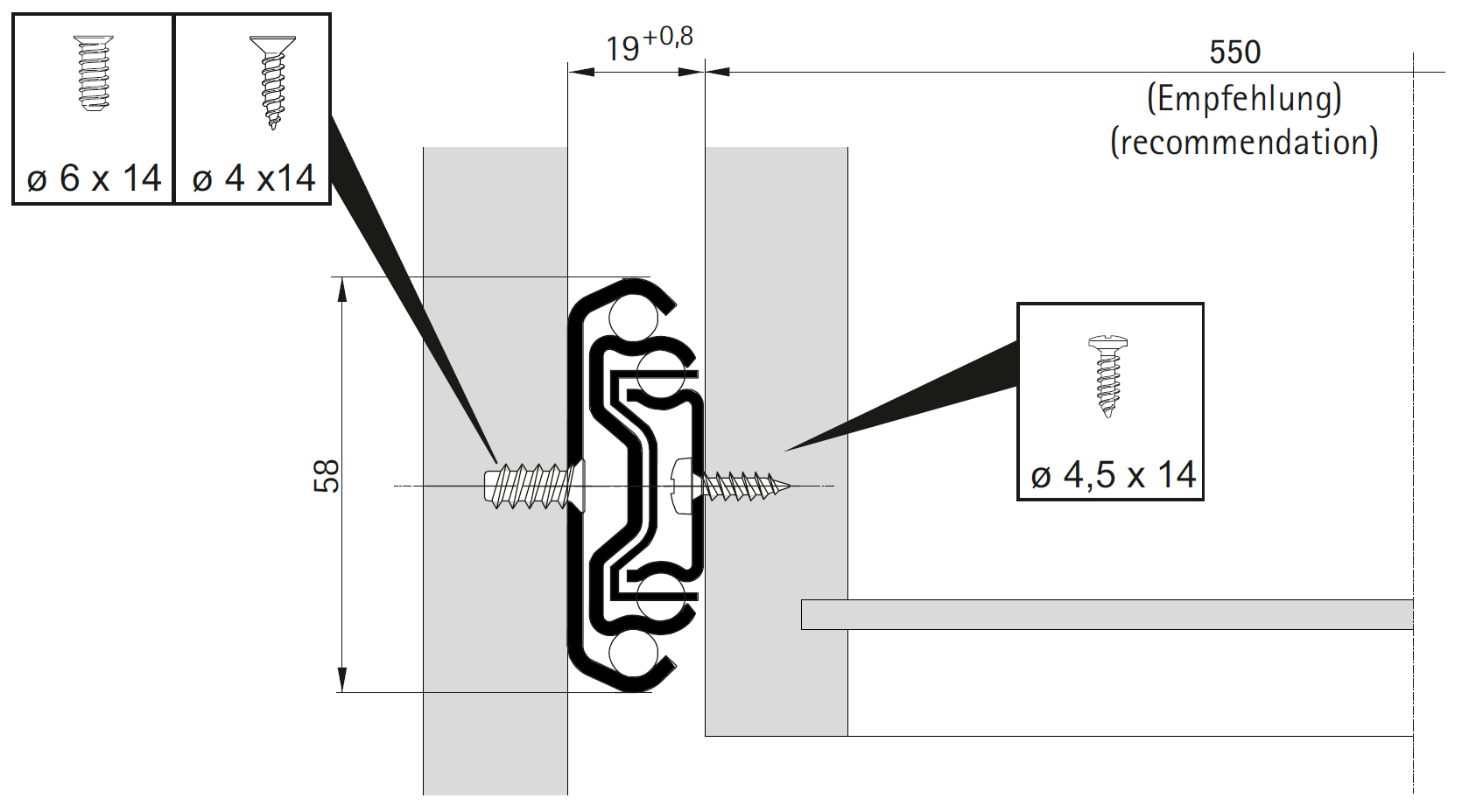
Glissiere a billes a extension totale avec dépassement pour tiroirs en bois, largeur de montage 19 mm, capacité de charge 90 kg. Avec butée et sécurité contre le déploiement involontaire. Le tiroir coulissant peut etre divisé a l'aide d'un levier, permettant ainsi un retrait facile du tiroir du corps.

Délai de livraison de 8 a 21 jours.

Documents connexes

Guide d'assemblage

Paramètres

Paramètre Valeur
Capacité de charge (kg) 90
Longueur (mm) 600
Mouvement de la coulisse Sans amortissement
Type de coulisse Extension totale

Derniers articles consultés