Masquer l'assortiment Assortiment
Contacts

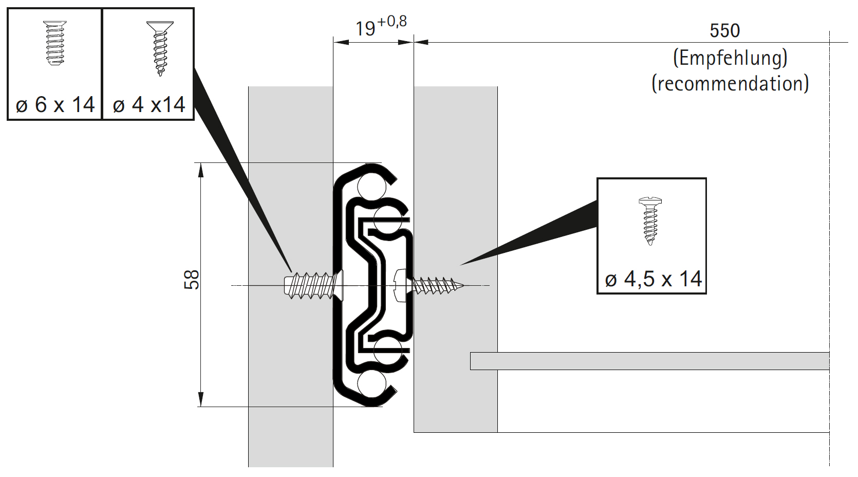
HETTICH 41395 KA 4620 550 mm EB19 90 kg

Code d'assortiment 104104
Prix ​​de base pour ensemble
98,09 EUR 118,69 EUR avec TVA
Sur commande
Acheter
Marque
Hettich
Code de groupe
10200301
Unité (MJ)
ensemble
Extensibilité
1 ensemble
Emballage
1 ensemble
Description et paramètres

Glissiere a billes a extension totale avec dépassement pour tiroirs en bois, largeur de montage 19 mm, capacité de charge 90 kg. Avec butée et dispositif de sécurité contre le déploiement accidentel. Le tiroir coulissant peut etre divisé a l'aide d'un levier, permettant ainsi un retrait facile du tiroir du corps.

Délai de livraison de 8 a 21 jours.

Documents connexes

Guide d'assemblage

Paramètres

Paramètre Valeur
Capacité de charge (kg) 90
Longueur (mm) 550
Mouvement de la coulisse Sans amortissement
Type de coulisse Extension totale