Masquer l'assortiment Assortiment
Contacts

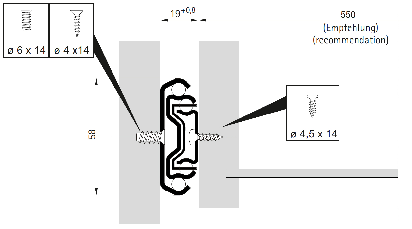
HETTICH 41391 KA 4620 350 mm EB19 90 kg

Code d'assortiment 104100
Prix ​​de base pour ensemble
70,75 EUR 85,61 EUR avec TVA
Sur commande
Acheter
Marque
Hettich
Code de groupe
10200301
Unité (MJ)
ensemble
Extensibilité
1 ensemble
Emballage
1 ensemble
Description et paramètres

Glissiere a billes a extension totale avec dépassement pour tiroirs en bois, largeur de montage 19 mm, capacité de charge 90 kg. Avec butée et dispositif de sécurité contre un déboîtement involontaire. Le tiroir coulissant peut etre divisé a l'aide d'un levier, ce qui permet de retirer facilement le tiroir du corps.

Délai de livraison de 8 a 21 jours.

Documents connexes

Guide d'assemblage

Paramètres

Paramètre Valeur
Capacité de charge (kg) 90
Longueur (mm) 350
Mouvement de la coulisse Sans amortissement
Type de coulisse Extension totale

Derniers articles consultés